产品分类
新闻推荐
乐动在线官网

乐动在线平台

地  址:江苏省启东市和平南路199号
电  话:13306282819
客  服:0513-83117726
传  真:0513-83117726邮  箱:ntjr2010@126.com
网  址:www.sinprisasinpausa.com

产品中心PRODUCT CENTER
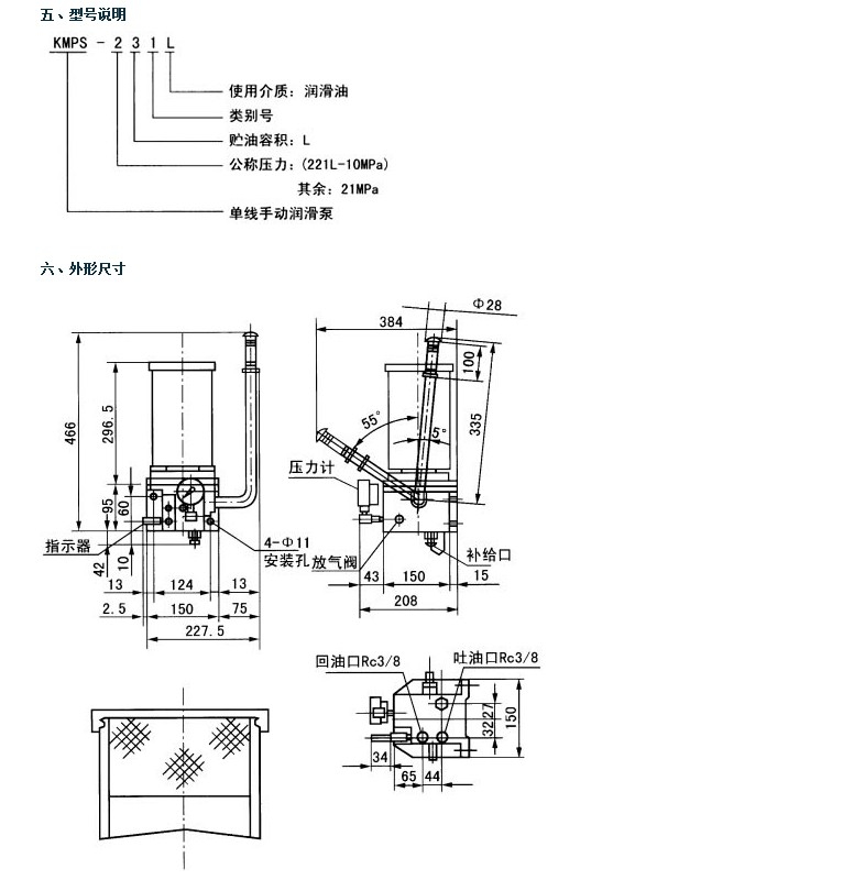
KMPS系列单线手动润滑泵(21MPa、10MPa)
2017-7-24 点击:3376

2.JPG3.JPG5.JPG6.JPG